(495) 984-74-92
(495) 226-51-87
info@xiron.ru
Telegram - Wa
Главная
Техническая информация
Водоохлаждающие установки - чиллеры

Двухконтурная система холодоснабжения с функцией "свободного охлаждения" (Freecooling)

Экономия электроэнергии через интеграцию функции «свободного охлаждения»

В рамках оптимизации энергетической эффективности и снижения времени работы компрессоров холодильных машин системы холодоснабжения рекомендуется рассмотреть возможность доработки двухконтурной системы до уровня, включающего функцию «свободного охлаждения». Это позволит использовать низкую температуру наружного воздуха в холодный период года для охлаждения теплоносителя без активации холодильной машины, значительно сокращая потребление электроэнергии.

чиллер с выносным конденсатором

Модификация схемы системы холодоснабжения

Для реализации этой функции, драйкулер интегрируется в контур испарителя параллельно основной холодильной машине. В летний период драйкулер остается неактивным, тогда как в зимний период холодильная машина отключается от системы, и теплоноситель охлаждается исключительно с помощью драйкулера.

Роль трехходового клапана в системе

Ключевой элемент системы – трехходовой клапан, который выполняет двойную функцию. Во-первых, он регулирует температуру теплоносителя в процессе работы в режиме «свободного охлаждения», обеспечивая оптимальный теплообмен. Во-вторых, клапан защищает теплообменник от замерзания при запуске системы в зимний период, что критически важно для предотвращения повреждений оборудования.

Дополнительные рекомендации

  • Мониторинг и контроль: Важно обеспечить постоянный мониторинг температуры наружного воздуха и параметров теплоносителя для эффективного управления переключением между режимами.
  • Энергоэффективность: Использование «свободного охлаждения» способствует не только снижению затрат на электроэнергию, но и уменьшению износа компрессора, что продлевает срок его службы.
  • Экологический аспект: Метод свободного охлаждения является экологически более предпочтительным, так как сокращает выбросы углекислого газа, связанные с потреблением электроэнергии.
  • Техническое обслуживание: Регулярное техническое обслуживание драйкулера и трехходового клапана является ключом к надежной и эффективной работе системы.
  • Адаптация системы к различным климатическим условиям: Важно адаптировать параметры системы к конкретным климатическим условиям региона эксплуатации.

Двухконтурная система холодоснабжения с функцией свободного охлаждения (Freecooling)

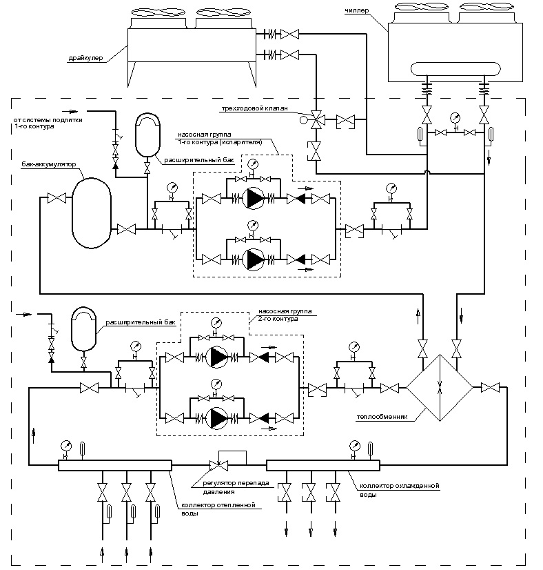
Двухконтурная система холодоснабжения с промежуточным теплообменником с применением этиленгликоля

Для решения проблем, возникающих из-за необходимости сезонного слива теплоносителя из систем холодоснабжения, особенно актуальных для холодильных машин с наружной установкой, эффективным решением является использование двухконтурных схем. Эти схемы включают промежуточный теплообменник, который обеспечивает разделение первичного и вторичного контуров.

Важность разности температур в контурах

Особое внимание при проектировании двухконтурной схемы требуется уделить обеспечению необходимой разности температур между теплоносителями контура испарителя и контура потребителей. Это критично для эффективности теплообмена и общей работоспособности системы.
  • Выбор теплоносителя: Важно подобрать оптимальный теплоноситель, учитывая его температурные характеристики, химическую стабильность и совместимость с материалами системы.
  • Эффективность промежуточного теплообменника: Оптимальный выбор и расчет параметров промежуточного теплообменника обеспечивают максимальную эффективность теплопередачи и предотвращают нежелательные тепловые потери.
  • Системы автоматического контроля: Интеграция систем автоматического контроля и регулирования температуры повышает эффективность работы системы и помогает поддерживать оптимальные условия эксплуатации.
  • Защита от замерзания: В зимний период необходимо предусмотреть меры защиты теплообменника и других элементов системы от замерзания, особенно в случае использования водных растворов в качестве теплоносителя.
  • Поддержание разности температур: Регулярный мониторинг и поддержание оптимальной разности температур между контурами гарантирует эффективную работу системы и минимизацию энергопотребления.

Двухконтурная система холодоснабжения с промежуточным теплообменником с применением этиленгликоля

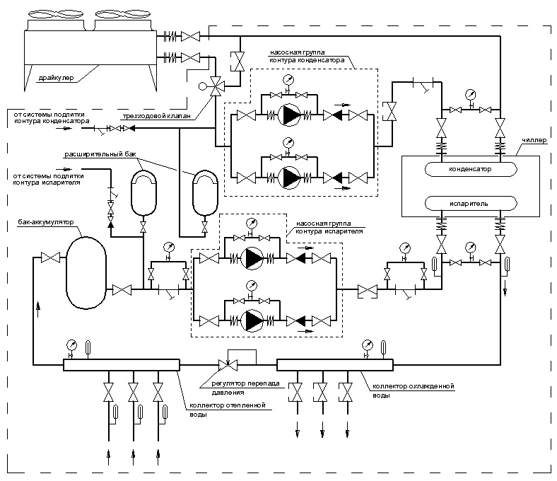
Схема системы на базе чиллера с водяным конденсатором

Система холодоснабжения, основанная на использовании холодильной машины с водяным конденсатором, включает в себя контур испарителя и отдельный контур охлаждения конденсатора. В качестве теплоносителя в последнем применяется раствор этиленгликоля, который, нагреваясь, абсорбирует тепло от конденсатора. Далее нагретый теплоноситель перекачивается насосами на «сухую градирню» (драйкулер), где охлаждается воздушным потоком и отдает накопленное тепло.

Важными элементами контура охлаждения конденсатора являются насосы и расширительный бак, обеспечивающие циркуляцию и стабильность системы.

Из-за колебаний температуры наружного воздуха и, соответственно, изменений в производительности драйкулера, система оснащается трехходовым смесительным клапаном. Этот клапан позволяет поддерживать постоянную температуру теплоносителя на входе в конденсатор, что является критически важным для стабильности всей системы.

Для адаптации к изменениям температуры внешней среды также используются методы регулирования производительности драйкулера. Это включает в себя изменение скорости вращения вентиляторов и частичное или полное отключение одного или нескольких вентиляторов для оптимизации расхода воздуха.

Основными недостатками данной схемы являются её относительно высокая стоимость и сложность в эксплуатации. Однако преимуществом системы является возможность круглогодичной эксплуатации, что обеспечивает непрерывную работу холодоснабжения независимо от сезонных колебаний температуры.

Схема системы на базе чиллера с водяным конденсатором

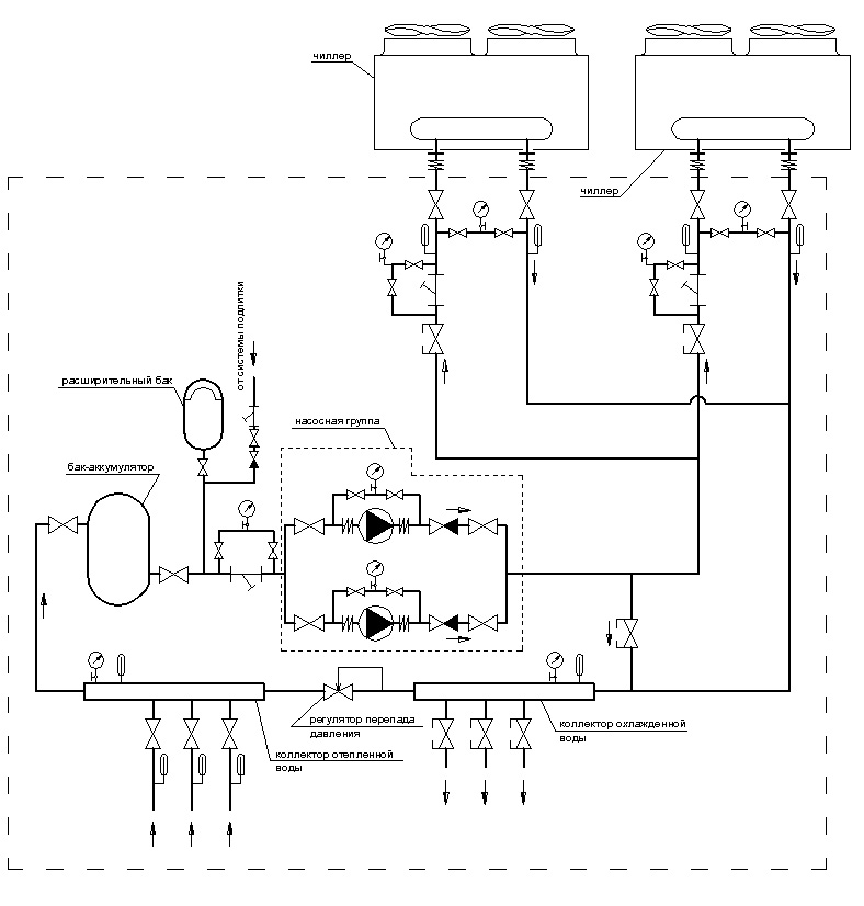
Схема системы с параллельным подключением двух чиллеров

В определенных условиях, особенно при значительной холодопроизводительности и необходимости резервирования холодильного оборудования, возникает потребность в установке нескольких холодильных машин, работающих на одну и ту же систему холодоснабжения. Примером такой системы может служить конфигурация с двумя чиллерами, оснащенными воздушно-охлаждаемыми конденсаторами.

Принцип работы системы

Система с несколькими чиллерами работает по принципу, аналогичному системе с одним чиллером. Однако важно учитывать, что при использовании нескольких машин необходимо тщательно координировать их работу для обеспечения стабильности и эффективности всей системы холодоснабжения.
  • Недостатки многомашинных систем

  • Сезонное обслуживание: При использовании воды в качестве теплоносителя возникает необходимость в сезонном сливе и заправке системы, что может приводить к усиленной коррозии трубопроводов и арматуры.
  • Колебания температуры теплоносителя: Включение или отключение одной из холодильных машин может вызывать колебания температуры теплоносителя, что требует дополнительной регулировки и контроля.
  • Ограниченность круглогодичной эксплуатации: В зависимости от климатических условий и конструкции системы может быть затруднена круглогодичная эксплуатация.

Дополнительные рекомендации

  • Системы управления: Для координации работы нескольких чиллеров рекомендуется использование автоматизированных систем управления, которые могут оптимизировать работу оборудования в соответствии с текущими потребностями и условиями окружающей среды.
  • Альтернативные теплоносители: Использование антикоррозийных добавок или альтернативных теплоносителей (например, растворов на основе этиленгликоля) может снизить коррозийные риски.
  • Регулировка температуры: Важно настроить систему таким образом, чтобы минимизировать колебания температуры при переключении между разными холодильными машинами.
  • Энергоэффективность: Рассмотрение возможностей повышения энергоэффективности системы, например, через использование частотных преобразователей для регулирования работы насосов и вентиляторов.
  • Модульность и гибкость: При проектировании системы следует учитывать её модульность и гибкость, что позволит легко адаптироваться к изменениям в потребности холодопроизводительности.

Схема системы с параллельным подключением двух чиллеров

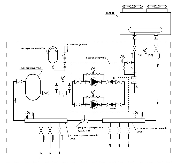
Схема системы с чиллером наружной установки

Система холодоснабжения с одним наружно установленным чиллером и осевыми вентиляторами представляет собой одно из самых распространенных и простых решений в этой области. Обычно в качестве теплоносителя используется вода, хотя в определенных условиях возможно применение теплоносителей с низкими температурами замерзания, таких как раствор этиленгликоля или рассолы.

Циркуляция теплоносителя в системе осуществляется при помощи насосной группы. В рассматриваемом примере насосная группа состоит из двух насосов: основного и резервного.

Компоненты системы

  • Расширительный мембранный бак: Этот элемент не только предотвращает гидравлические удары при работе насосов, но и компенсирует изменение объема теплоносителя из-за колебаний его температуры.
  • Бак-аккумулятор: Предназначен для увеличения тепловой инерционности системы, что способствует сокращению количества пусков и остановок холодильной машины.
  • Регулировка потока теплоносителя: Важно обеспечить постоянный расход жидкости через теплообменник испарителя холодильной машины, особенно при использовании потребителей с переменным расходом теплоносителя, таких как фанкойлы. Это достигается установкой регулятора перепада давлений.

Недостатки и решения

  • Отсутствие резервирования холодильного оборудования: Это может быть проблемой при необходимости непрерывной работы системы. Решение может заключаться в установке дополнительного резервного чиллера.
  • Сезонное обслуживание: В случае использования воды требуется её сезонный слив и заправка, что увеличивает риск коррозии. Решением может быть использование антикоррозионных добавок или переход на теплоносители, не требующие сезонного обслуживания.
  • Ограничения круглогодичной эксплуатации: В некоторых климатических условиях система может быть неэффективна зимой. Использование теплоносителей с антифризом или система подогрева может решить эту проблему.

Дополнительные рекомендации

  • Автоматизация управления: Интеграция современных систем автоматизации может значительно улучшить эффективность и надежность системы.
  • Энергоэффективность: Использование энергоэффективных компонентов, таких как частотные преобразователи для насосов и вентиляторов, может снизить энергопотребление.
  • Экологические аспекты: Выбор экологически безопасных теплоносителей и компонентов помогает снизить воздействие системы на окружающую среду.

Схема системы с чиллером наружной установки

 

"Добавить комментарий"


"Обновить"

<< АБХМ - принцип работы абсорбционных чиллеров   Чиллеры для катков и ледовых арен >>

 

Menu