(495) 984-74-92
(495) 226-51-87
info@xiron.ru
Telegram - Wa
Главная
Техническая информация
Руководство по проектированию

Регуляторы конденсатора

Регуляторы конденсатора

Если на холодильную установку воздействуют колебания температуры окружающей среды, то следует регулировать давление конденсации во избежание его значительного понижения. В противном случае это станет причиной значительного перепада давления на расширительном устройстве, после чего испаритель будет нестабильного снабжаться хладагентом. Из этого можно сделать вывод, что регулятор производительности конденсатора необходимо в большей степени использовать в зонах с умеренным климатом, чем в тропиках.

Регулирование давления конденсации предусматривается в установках, которые используются при низких температурах воздуха, с целью поддержания давления конденсации и недопущения его снижения до минимального уровня. Это достигается путем уменьшения площади поверхности теплообмена или снижением циркулирующей через конденсатор воды и воздуха. В различных типах конденсаторов применяемые способы регулирования производительности отличаются между собой.

Конденсаторы воздушного охлаждения

Процесс охлаждения в конденсаторе воздушного охлаждения происходит следующим образом: воздух, нагнетаемый вентиляторами (центробежными или осевыми) циркулирует вокруг теплообменной поверхности.

Различают следующие способы регулирования давления конденсации в конденсаторах с воздушным охлаждением:

  • ступенчатое регулирование. Принцип регулирования данным способом заключается в включении и отключении вентиляторов. Для этого устанавливаются регуляторы давления RT5, которые настроены на разные показания давления включения и отключения.
С этой целью используются также регуляторы давления с нейтральной зоной RT-L. Ранее они применялись только с контроллерами с определенным числом контактов для подключения нескольких вентиляторов. Поскольку подобная система срабатывала слишком быстро, то было принято решение для контроля отключения и включения вентиляторов использовать таймеры. Современные методы регулирования давления конденсации предусматривают применение нового ступенчатого регулятора производительности ЕКС-331;

  • регулирование скорости вращения вентиляторов. Данный метод используется уже довольно длительное время многими производителями, особенно в тех случаях, когда большую роль играет низкий уровень шума вентиляторов. Для регулирования скорости вращения вентиляторов используются преобразователи частоты тока;
  • регулирование площади теплообмена. С целью осуществления контроля над площадью теплообмена (производительностью конденсатора) устанавливают ресивер. Его объем должен быть достаточным, чтобы компенсировать то количество хладагента, которое поступает из конденсатора.
Регулирование площади теплообмена может проводиться следующими способами:
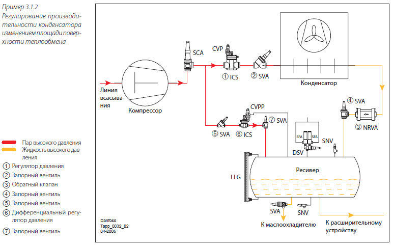
  • с использованием вентилей ICS (или РМ) вместе с пилотом постоянного давления CVP. Монтируют их на линии горячего газа перед конденсатором. В свою очередь вентили ICV с пилотом перепада давления CVPP монтируют на трубопроводе между ресивером и линией горячего газа. Также на трубопроводе между конденсатором и ресивером устанавливают обратный клапан NRVA. Это необходимо для того чтобы жидкий хладагент из ресивера не поступал в конденсатор;
  • основной вентиль ICS с пилотом постоянного давления устанавливают между конденсатором и ресивером CVC. Вентиль ICS с пилотом перепада давления CVPP монтируют в трубопроводе между ресивером и линией горячего газа. Регулирование данным способом практикуется в коммерческих холодильных установках.

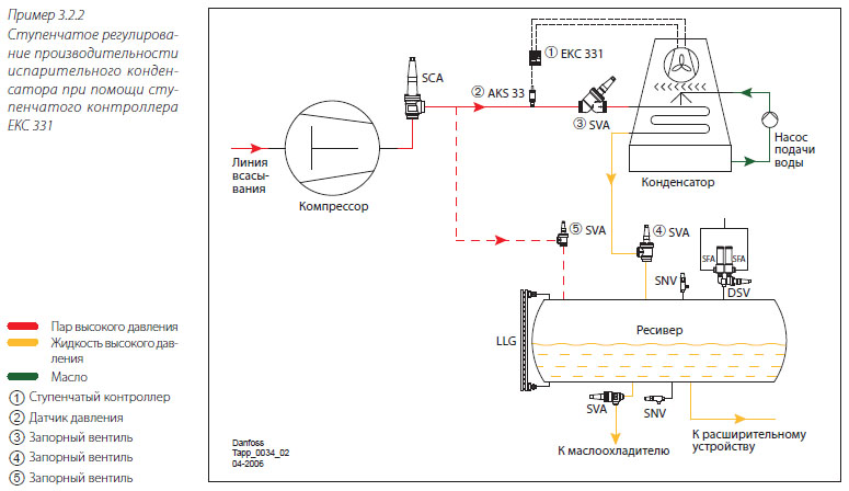
Используемый ступенчатый регулятор ЕКС 331 (1) служит для включения и отключения вентиляторов согласно показаниям датчиков давления AKS 33 (2). Четырехступенчатый регулятор ЕКС 331 с нейтральной зоной способен контролировать работу конденсатора так, чтобы давление конденсации оставалось выше минимально допустимого уровня.

В обводной трубе, где расположен запорный вентиль SVA, уравнивается давление в ресивере и на входе в конденсатор. Это необходимо для того, чтобы жидкий хладагент не перетекал из конденсатора в ресивер.

В некоторых случаях в холодильных установках вместо контроллера ЕКС 331 применяется модель ЕКС 331Т. Она получает сигнал от датчика температуры, который устанавливают на выходе из конденсатора. Отметим, что данный способ регулирования считают неточным (в отличие от регулирования при помощи датчика давления), поскольку температура на выходе из конденсатора из-за переохлаждения неточно связана с давлением конденсации.

Регулирование производительности конденсатора путем изменения площади поверхности теплообмена характеризуется высоким давлением в ресивере при низких температурах окружающего воздуха. Когда давление нагнетания достигает заданного пилотом CVC значения, сервоприводный вентиль ICS (1) с пилотным управлением открывается и закрывается, как только давление становится ниже заданного значения.

Основная задача сервоприводного вентиля ICS (6) с пилотом постоянного перепада давления CVPP – это поддержка потребного давления в ресивере. Он также может выполнять роль перепускного вентиля OFV. Дл обеспечения высокого давления в конденсаторе служит обратный клапан NRVA (3).

Отметим, что рассмотренный способ регулирования нуждается в использовании ресивера большого объема. Во избежание натекания жидкости из ресивера в конденсатор используется обратный клапан NRVA.

Испарительные конденсаторы

По большому счету, испарительный конденсатор – это большой теплообменник, для охлаждения которого используется вода (воздух), которая впрыскивается через отверстия (через воздушные перегородки). Испарение воды увеличивает теплосъем и производительность конденсатора.

Сейчас испарительные конденсаторы характеризуются следующими особенностями: стальной или пластиковый корпус, осевые или центробежные вентиляторы, который монтируют в верхней части конденсатора. Теплообменная поверхность состоит из стальных труб. Выше отверстий, которые разбрызгивают воду располагается участок предварительного охлаждения, который изготовлен из оребренных стальных труб. Последний служит для снижения температуры горячего газа до той зоны, которая находится в потоке влажного воздуха. Это позволяет в значительной степени снизить отложения накипи на трубах теплообменника.

Данный способ охлаждения конденсатора позволяет снизить расход воды по сравнению с конденсаторами обычного водного охлаждения. Для осуществления контроля над производительностью испарительного теплообменника используется двухскоростной вентилятор, а если температура окружающего воздуха слишком низкая, то для регулирования отключают насос, подающий воду.

Контроль работы испарительного теплообменника

Контроль над производительностью испарительного конденсатора или регулирование давления конденсации выполняются следующими способами:
  • используя регулятор давления с нейтральной зоной RT-L, который управляет производительностью насоса подачи воды и вентилятора;
  • посредством реле давления RT или КР. С их помощью осуществляется контроль над насосом подачи воды и работой вентилятора;
  • с помощью ступенчатого контроллера, который руководит работой насоса подачи воды и двухскоростных вентилятором;
  • используя преобразователь частоты. С его помощью можно не только руководить насосом подачи воды, но и управлять нагнетателями воздуха с переменной скоростью;
  • задействуя реле расхода воды. Если насос подачи воды неожиданно выйдет из строя, реле сразу подаст аварийный сигнал.

Применяя данный способ регулирования, обеспечивается поддержка давления конденсации, а также давления в ресивере на высоком уровне и при небольших температурах окружающего воздуха.

Как только давление на входе в конденсатор опустится ниже показателя давления задаваемого реле RT 5А (2), то вентилятор будет сразу отключен регулятором, и производительность конденсатора уменьшена.

Если температура окружающего воздуха довольно низкая, то давление конденсации будет опускаться ниже установленной реле RT 5А. После отключения всех вентиляторов реле отключит и насос подачи воды. В этом случае, чтобы исключить оседание накипи, а также образования льда, необходимо слить воду из трубопровода конденсатора.

С целью ступенчатого регулирования производительности компрессора также можно применять и ступенчатый регулятор ЕКС 331. Он имеет четыре выхода для реле и выполняет нагрузку или разгрузку компрессоров или поршней согласно с показаниями датчиков давления AKS 33 или AKS 32R, которые монтируют на линии всасывания. С помощью регулятора ЕКС 331 с нейтральной зоной можно регулировать производительность системы, оборудованной четырьмя компрессорами одинаковой мощности или двумя регулируемой, но в этом случае каждый из них должен иметь разгрузочный клапан.

Регулятор с нейтральной зоной

Нейтральной зоной называют участок, расположенный возле регулируемого параметра установки в котором не происходит нагрузка или разгрузка системы. Если показание регулируемого параметра выходит за пределы нейтральной зоны, то совершается нагрузка или разгрузка компрессора.

Конденсаторы с водяным охлаждением

Современный конденсатор с водяным охлаждением представляет собой пластинчатый теплообменник, выполненный из нержавеющей стали. Он не получил широкого распространения, поскольку не в каждой местности можно найти достаточный объем воды для теплообменника данного типа.

Сейчас их используют в водоохладителях, где вода содержится в градирнях и поступает обратно в конденсатор. Конденсаторы с водяным охлаждением также применяются в роли утилизаторов тепла во время производства горячей воды.

Для регулирования давления конденсации используется управляемый водяной кран (с электроприводом или электронным контроллером). Он позволяет следить за расходом воды относительно давления конденсации. Данный метод позволяет поддерживать давление конденсации на заданном уровне. При регулировании данным способом давление конденсации направляется через капиллярную трубку в верхнюю часть водяного крана WVS (3), меняя при этом степень открытия крана. В то же время водяной кран служит регулятором пропорционального типа.

От датчика давления AKS 33 (1) контроллер (2) получает результаты и направляет их на привод AMV 20 вентиля VM 2 (3). За расходом охлаждающей воды следит электронный вентиль и поддерживает постоянное давление конденсации.

Электроприводные вентили VM 2 и VFG 2 используются в центральных схемах отопления, а также для регулирования расхода воды.

Выводы

 

"Добавить комментарий"


"Обновить"

<< Регуляторы компрессора   Регуляторы уровня жидкости >>

 

Menu