(495) 984-74-92
(495) 226-51-87
info@xiron.ru
Telegram - Wa
Главная
Техническая информация
Принципиальные схемы холодильных установок

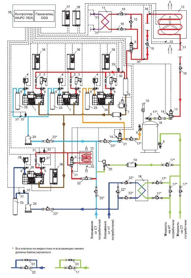
СО2 Бустерная холодильная машина с параллельными (ВТ) компрессорами

СО2 Бустерная холодильная машина с параллельными (ВТ) компрессорами

СО2 Бустерная холодильная машина с параллельными (ВТ) компрессорами
  1. Компрессор СТ контура
  2. Клапан обратный
  3. Реле высокого давления СТ контура MBC 5100/CCB
  4. Реле низкого давления СТ контура KP6B
  5. Клапан запорный Rotolock
  6. Маслоотделитель коалесцентный
  7. Клапан электромагнитный на линии масла
  8. Фильтр–осушитель DMT
  9. Клапан трехходовой CTR
  10. Кран шаровой GBCT
  11. Рекуператор пластинчатый паяный
  12. Газоохладитель
  13. Клапан высокого давления ССМТ/IСMTS + ICAD
  14. Преобразователь давления MBS 8250
  15. Клапан предохранительный
  16. Ресивер линейный
  17. Кран шаровой GBCH для СО2 90 бар
  18. Переохладитель пластинчатый паяный
  19. Фильтр–осушитель DMT
  20. Электронный расширительный клапан импульсного типа AKV P
  21. Клапан газовый байпасный ССМТ/IСMTS + ICAD
  22. Кран шаровой GBC для СО2 45 бар
  23. Клапан обратный NRV H
  24. Фильтр–осушитель
  25. Отделитель жидкости
  26. Компрессор НТ контура
  27. Реле высокого давления НТ контура KP6B
  28. Реле низкого давления НТ контура KP5
  29. Преобразователь давления AKS 2050 −1..159 бар
  30. Датчик температуры AKS 21A
  31. Датчик температуры накладной AKS 11
  32. Датчик температуры AKS 12
  33. Преобразователь давления AKS 2050 −1..59 бар
  34. Компрессор ВТ контура
  35. Щит электрический с контроллерами AK-PC 782A и газоанализатором DGS
  36. Преобразователь частотный Danfoss тип FC-103
  37. Преобразователь частотный Danfoss тип FC-102
  38. Фильтр синусоидальный MCC 101
Схема разработана и предоставлена компанией Данфосс Россия
 

"Добавить комментарий"


"Обновить"

<< СО2. Бустерная холодильная машина с жидкостным эжектором (LE)   СО2. Бустерная холодильная машина >>

 

Menu