(495) 984-74-92
(495) 226-51-87
info@xiron.ru
Telegram - Wa
Главная
Техническая информация
Принципиальные схемы холодильных установок

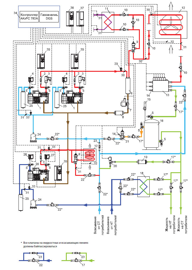
СО2. Бустерная холодильная машина с эжектором низкого перепада давления (LP)

СО2. Бустерная холодильная машина с эжектором низкого перепада давления (LP)

СО2. Бустерная холодильная машина с эжектором низкого перепада давления (LP)
  • Компрессор СТ контура
  • Клапан обратный
  • Реле высокого давления СТ контура MBC 5100/CCB
  • Реле низкого давления СТ контура KP6B
  • Клапан запорный Rotolock
  • Маслоотделитель коалесцентный
  • Клапан электромагнитный на линии масла
  • Фильтр–осушитель DMT
  • Клапан трехходовой CTR
  • Кран шаровой GBCT
  • Рекуператор пластинчатый паяный
  • Газоохладитель
  • Мульти эжектор низкого перепада давления LP
  • Преобразователь давления MBS 8250
  • Клапан предохранительный
  • Ресивер линейный
  • Кран шаровой GBCH для СО2 90 бар
  • Переохладитель пластинчатый паяный
  • Фильтр–осушитель DMT
  • Электронный расширительный клапан импульсного типа AKV P
  • Клапан газовый байпасный ССМТ/IСMTS + ICAD
  • Кран шаровой GBC для СО2 45 бар
  • Клапан обратный NRV H/ CHV
  • Фильтр–осушитель
  • Отделитель жидкости
  • Компрессор НТ контура
  • Реле высокого давления НТ контура KP6B
  • Реле низкого давления НТ контура KP5
  • Преобразователь давления AKS 2050 −1..159 бар
  • Датчик температуры AKS 21A
  • Датчик температуры накладной AKS 11
  • Датчик температуры AKS 12
  • Преобразователь давления AKS 2050 −1..59 бар
  • Щит электрический с контроллерами AK-PC 782A и газоанализатором DGS
  • Преобразователь частотный Danfoss тип FC-103
  • Преобразователь частотный Danfoss тип FC-102
  • Фильтр синусоидальный MCC 101
Схема разработана и предоставлена компанией Данфосс Россия
 

"Добавить комментарий"


"Обновить"

<< СО2. Бустерная холодильная машина с эжектором высокого перепада давления (HP)   СО2. Бустерная холодильная машина с жидкостным эжектором (LE) >>

 

Menu