(495) 984-74-92
(495) 226-51-87
info@xiron.ru
Telegram - Wa
Главная
Техническая информация
Принципиальные схемы холодильных установок

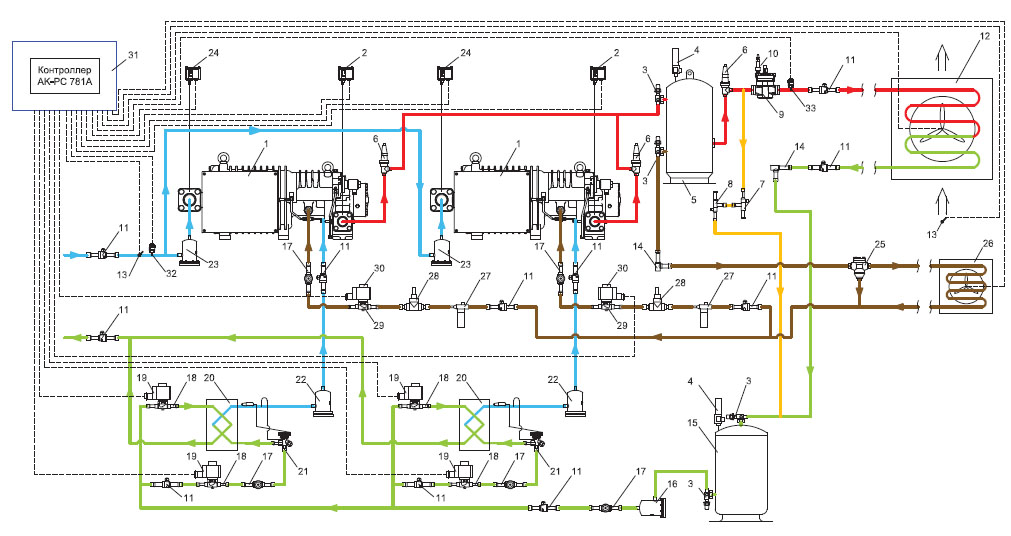
Многокомпрессорная холодильная машина с компрессорами винтового типа с экономайзерами и с системой

Многокомпрессорная холодильная машина с компрессорами винтового типа с экономайзерами и с системой зимнего пуска

Многокомпрессорная сателлитная холодильная машина с компрессорами поршневого или спирального типа и системой зимнего пуска
  1. Компрессор винтового типа
  2. Реле высокого давления KP
  3. Клапан запорный Rotolock
  4. Клапан предохранительный SFA
  5. Маслоотделитель
  6. Клапан обратно-запорный SCA
  7. Регулятор давления конденсации KVR
  8. Регулятор давления в ресивере KVD
  9. Клапан сервоприводный с пилотным управлением ICS
  10. Управляющий пилот CVP
  11. Кран шаровой GBC
  12. Конденсатор воздушного охлаждения
  13. Датчик температуры EKS/AKS
  14. Клапан обратный NRV
  15. Ресивер линейный
  16. Фильтр–осушитель DCR со вставкой 48-DC/48-DM
  17. Стекло смотровое SG
  18. Клапан электромагнитный EVR
  19. Катушка для клапана электромагнитного
  20. Экономайзер пластинчатый паяный тип BPHE/MPHE
  21. Клапан терморегулирующий TE
  22. Фильтр DCR со вставкой 48-F
  23. Фильтр DCR со вставкой 48-DA/48-F
  24. Реле низкого давления KP
  25. Регулятор температуры масла ORV
  26. Маслоохладитель воздушный
  27. Фильтр очистки масла
  28. Реле протока масла
  29. Клапан электромагнитный
  30. Катушка для клапана электромагнитного
  31. Щит электрический с контроллером AK-PC 781A
  32. Преобразователь низкого давления AKS 32R
  33. Преобразователь высокого давления AKS 32R
Схема разработана и предоставлена компанией Данфосс Россия
 

"Добавить комментарий"


"Обновить"

<< Многокомпрессорная холодильная машина с системой зимнего пуска и регулятором перепада давления   Многокомпрессорная сателлитная холодильная машина с компрессорами поршневого или спирального типа >>

 

Menu