(495) 984-74-92
(495) 226-51-87
info@xiron.ru
Telegram - Wa
Главная
Чиллеры
Подбор чиллера

Чиллер 9 кВт

→ Модель ВМТ-Ксирон-8.
Сейчас в наличии на складе имеется:
ВМТ-63
ВМТ-24
ВМТ-20
ВМТ-16
ВМТ-8
ВМТ-4
Необходимая холодо­производительность не менее - 9 кВт, объем гидромодуля: не менее 76 литров.

 
1. Наименование изделия: холодильная установка ВМТ-Ксирон-8

2. Описание:

Холодильная установка - ВМТ-Ксирон-8, с холодо­производительностью - 10.2 кВт и температурой жидкости на выходе - 14оС. Запас - 13%

Среднее количество пусков 3.2 (?), время работы за цикл - 16.6 мин., время остановки - 2.2 мин. Общее энергопотребление с учетом остановок - 3.3 кВт.

2.1. Реальные фото с производства ВМТ-Ксирон-8

Чиллер 9 кВтчиллер 9 кВт купитьчиллер ВМТ-Ксирон-8
Промышленный чиллер 9 кВт

3. Технические характеристики чиллера 9 кВт цена и параметры

Чиллер ВМТ-Ксирон-8
Температура жидкостиОкружающая температураQ, кВт
Q, кВт при Твых= 0 °С30 4.9
255.4
Q, кВт при Твых= +5 °С30 6.4
256.9
Q, кВт при Твых= +10 °С30 8
258.6
Q, кВт при Твых= +14 °С30 9.5
2510.2
Q, кВт при Твых= +15 °С30 9.9
2510.7
Nпотр, кВт 3.7
Nпотр. макс, кВт 4.8
Холод. коэф.,COP 3.8
 
Длина установки, мм 1163
Ширина установки, мм 813
Высота установки, мм 1450
Масса установки, кг 146
Объем емкости, л 120
Количество компрессоров, шт 1
Объем масла, л 0.95
Объем заправки фреоном, кг ~18
Производительность подающего насоса, м3/час 3.5
Давление воды подающего насоса, бар 3
Присоединительные размеры вход/выход G 1"

Почему при разной температуре воды - разная холодо­производительность?

Для обеспечения надежности используются комплектующие Danfoss/Ридан.

Мы предлагаем купить чиллер 9 кВт по лучшей цене. Цена чиллера 9 кВт включает полный комплект оборудования и в базовый состав входит:

  • Тип компрессора: спиральный «Danfoss/Ридан»;
  • испаритель теплоизолированный из нержавеющей стали «Ридан»;
  • терморегулирующий вентиль «Ридан» ;
  • фильтр-осушитель «Ридан»;
  • смотровой глазок, индикатор жидкости/влажности «Ридан»;
  • соленоидный вентиль для хлорфторсодержащих хладагентов«Ридан»;;
  • защитное реле высокого давления «Ридан»;
  • защитное реле низкого давления «Ридан»;
  • реле протока «Ридан»;
  • реле высокого давления «Ридан», управляющее включением вентиляторов конденсатора;
  • щит управления на базе «Schneider Electric»;
  • вертикальный ресивер с запорными вентилями и предохранительным клапаном фирмы «FrigoPoint» (Россия);
  • система автоматического управления и контроля, на базе электронного процессора, позволяющая задавать и поддерживать в автоматическом режиме требуемую температуру жидкости и предохраняющая установку от аварийных режимов работы «Dixell» (Италия/Россия);
  • конденсатор воздушного охлаждения «Terra-Frigo» (Россия);
  • заводская заправка фреоном R407C;
  • окрашенная, металлическая пространственная рама «Ксирон-Холод» (Россия);
  • декоративные съемные панели «Ксирон-Холод» (Россия);
  • реле тепловой защиты компрессора «Schneider Electric» ;
  • реле токовой защиты компрессора «Schneider Electric»;
  • реле токовой защиты насоса «Schneider Electric»;
  • отвод для подключения манометрического коллектора на линии нагнетания/жидкости/всасывания;
  • манометры высокого и низкого давления «Wigam/Cold-Gauge» (Германия/ЕС).


3.1. График зависимости холодо­производительности от температуры воды на выходе из чиллера ВМТ-8

Диапазон стандартной работы чиллера от +5оC до +15оC.Данная модель ВМТ-8 способна работать до +40 оC окружающего воздуха со снижением холодо­производительности.
Для расширения диапазона работы (поддерживаемая температура воды в диапазоне +15...+25) необходима модификация чиллера по запросу.

3.2. График рабочих характеристик подающего насоса ВМТ-8 (чиллер 9 кВт)

3.3. Выносной конденсатор (Опция) на ВМТ-8

Комплект системы зимнего пуска позволяет запускать водоохлаждающую установку при размещении конденсатора на улице или в не отапливаемом помещении (при температуре окружающей среды ниже + 5 °С. Возможность работы до минус 35). В комплект входит регулятор давления, дифференциальный клапан, обратный клапан.

Количество конденсаторов - 1 шт. Масса одного конденсатора - 35 кг.

Общая информация
Выделяемое тепло, кВт 13
Количество вентиляторов, шт. 1
Расход воздуха, м3 5900
Уровень шума, Дб 70
Габаритные размеры: 740х612х242

воздушный конденсатор для чиллера 9 кВт

Диаметр медной трубы для монтажа выносного конденсатора для ВМТ-8:

Длина до конденсатора, м51015
Диаметр в дюймах (нагнетание + жидкостная)5/8 + 3/85/8 + 3/85/8 + 1/2

При длине трассы от холодильного модуля до воздушного конденсатора более 15 метров - по запросу, также необходима установка "системы отделения масла".

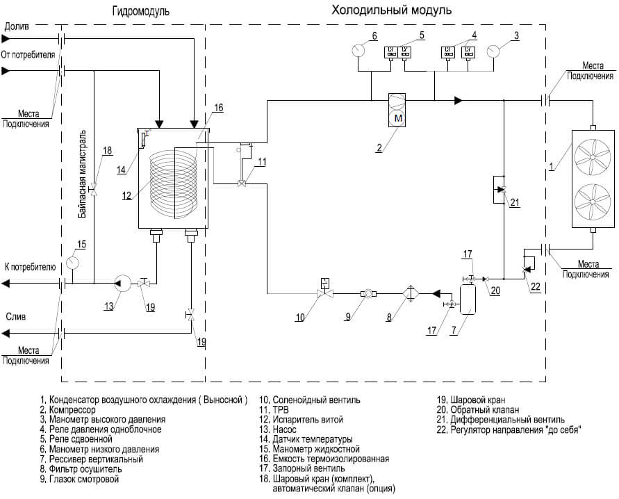
4. Встроенный гидромодуль

Однонасосная схема охлаждения

Однонасосная схема применяется преимущественно в системах с невысокой холодопроизводительностью — до 100 кВт. Это решение эффективно при соблюдении ряда условий, обеспечивающих стабильную и безопасную работу оборудования.

Основные условия применения
  1. Небольшое количество потребителей холода и ограниченный диапазон изменения тепловой нагрузки.
    При наличии переменной нагрузки (в несколько раз в течение суток), необходимо предусмотреть байпасную линию, способную перепускать достаточный объем хладоносителя, минуя теплообменники потребителей. Это позволяет предотвратить перегрузку по давлению и обеспечить циркуляцию по "малому кругу". Байпасный клапан можно использовать при мощности чиллера не более 100 кВт.

  2. Температурный перепад испарителя.
    Стандартная настройка чиллера предполагает, что разница температур между подающей и обратной магистралью составляет не более 5 К. Если требуется больший перепад, необходимо заранее указать это при заказе, и рассматривать двухнасосную схему.

  3. Стабильная нагрузка для установок свыше 100 кВт.
    Однонасосная схема может применяться при более высокой холодопроизводительности, только если нагрузка на чиллер в течение всего рабочего цикла остается практически постоянной.

Принцип работы

Насос забирает охлажденную жидкость из буферной емкости и подает её потребителям. После отбора тепла (то есть охлаждения оборудования) вода возвращается обратно и поступает в испаритель чиллера, где снова охлаждается. Затем охлажденный хладоноситель поступает обратно в буферную емкость.

Датчик температуры, управляющий включением и выключением компрессора, установлен в накопитенльной емкости чиллера, и ориентируется на температуру хладоносителя, поступающего к потребителям.

Особенности схемы с несколькими потребителями

При подключении нескольких потребителей, каждый оборудуется термостатом и соленоидным клапаном, перекрывающим поток при отсутствии запроса на охлаждение. Это требует использования:

  • Предохранительного (байпасного) клапана — для защиты системы от превышения давления при закрытии всех потребителей.
  • Защиты насоса — от работы "на закрытую систему", обеспечиваемой байпасной линией.

гидравлическая схема чиллера 9 кВт, ВМТ-8

Гидравлический модуль (насосная станция)

Гидромодуль — это блок, состоящий из циркуляционных насосов и накопительных баков. Его задача — организовать подачу охлаждённого теплоносителя (обычно это вода или водо-пропиленгликолевый раствор) от чиллера к технологическому оборудованию и обратно.

Проблема переменных нагрузок

  • Неравномерная нагрузка. Потребность в охлаждении меняется в течение суток и по сезонам.
  • Частые включения компрессора. При низкой нагрузке чиллер быстро достигает нужной температуры, выключается, затем снова запускается при росте температуры в системе. Такие «короткие циклы» приводят к:
    • Ускоренному износу компрессора и расходных частей;
    • Росту пусковых токов и переплатам за электроэнергию;
    • Снижению надёжности и сокращению межремонтного ресурса.
Решение — аккумуляционный бак

Чтобы избежать частых включений и выключений, в гидромодуль устанавливают аккумуляционный (накопительный) бак.

Преимущества установки бака на 120 литров

  • Разглаживание пиковых нагрузок — чиллер отдает холод и из бака, снижая мгновенные нагрузки на компрессор.
  • Удлинение циклов работы — компрессор включается и выключается реже.
  • Снижение износа и энергозатрат — уменьшается число пусков, снижаются пиковые токи.

В базвый состав гидромодуля чиллера 9 кВт входит:

  • насос для хладоносителя «Calpeda» (Италия);
  • пластиковая теплоизолированная емкость «Ксирон-Холод» (Россия);
  • полная интеграция с управлением чиллера;
  • электрический шкаф управления с индикацией аварийных ситуаций «Schneider Electric»;
  • сливной вентиль «CEPEX» (Испания);
  • индикатор уровня воды «поплавкового» типа «Анион» (Россия);
  • запорный вентиль «CEPEX» (Испания);
  • регулирующий вентиль «CEPEX» (Испания);
  • байпасный клапан с ручным открытием «CEPEX» (Испания);
  • манометр на линии подачи хладоносителя «РОСМА» (Россия);
  • соединительные трубопроводы «AQUADEMIC» (Россия) и фитинги «COMER» (Италия) из пластика.

5. Функциональные возможности ВМТ-8

Управление

  • пуском/остановом компрессора по уставке микропроцессорного блока;
  • задержкой между остановом и последующим пуском компрессора;
  • чувствительностью реле протока жидкости;
  • пуском/остановом вентиляторов конденсатора по уставке реле давления управления вентиляторами конденсатора;
  • установкой значений аварийной сигнализации по низкой или высокой температуре хладоносителя;
  • включением/отключением дополнительного картерного нагревателя по уставке термостата.
Защита
  • электродвигателя компрессора от перегрузки по току;
  • работы установки в случае пропадания/перекоса фаз;
  • шкафа управления от перегрузки по току и от короткого замыкания;
  • электродвигателя насоса от перегрузки по току;
  • компрессора от недопустимо высокого/низкого давления нагнетания;
  • электродвигателя компрессора от перегрева обмоток;
  • электродвигателей вентиляторов конденсатора от перегрева обмоток;
  • компрессора от попадания жидкого хладагента в картер путем выдачи сигнала закрытия электромагнитного клапана на линии подачи хладагента в испаритель при отказе установки;
  • компрессора от недопустимо низкого перепада давления масла (при наличии маслонасоса);
  • испарителя от размораживания в случае исчезновения или недостаточного протока жидкости через него.
Индикация
  • режимов и параметров работы установки;
  • индикация температуры хладоносителя на экране блока управления;
  • индикация аварийных режимов, с выводом кода аварии на экран блока управл-ния/сигнальная лампа.

Достоинства чиллеров серии ВМТ

  • Удобный доступ ко всем узлам;
  • Не требуется специальный фундамент;
  • Импортное оборудование ведущих фирм производителей;
  • Высокая надежность;
  • На лицевой панели выведена информация всех режимов работы;
  • Низкий уровень шума;
  • Чиллеры требуют минимальных регламентных работ;
  • Простое техническое обслуживание;
  • Чиллер 9 кВт купить – быстрый монтаж и запуск;
  • Чиллер 9 кВт цена от 63682 ₽/кВт.

Производитель оставляет за собой право без предварительного уведомления покупателя вносить изменения в конструкцию, комплектацию или технологию изготовления изделия с целью улучшения его свойств.

6. Промышленное покрытие ВМТ-Ксирон-8

Двухкомпонентная, толстослойная, эпоксидная грунтовочная краска с фосфатом цинка и с отвердителем на основе полиамида. Обладает отличной адгезией со стальными,
цинковыми и алюминиевыми поверхностями. Tikkurila Finland

чиллер для охлаждения ВМТ-Ксирон-8
чиллер 9 кВт
купить чиллер 9 кВт

7. Экономические показатели

  • Затраты при водопроводном охлаждении – 244 руб/час;
  • Затраты на электроэнергию при использовании чиллера – 23.1 руб/час;
  • Экономическая выгода* – 91.4%
    * зависит от тарифов на электроэнергию, водоснабжение и водоотведение в вашем регионе

Основные плюсы использования чиллера для охлаждения:

  • Точный контроль температуры: Чиллер поддерживает стабильную и заданную температуру охлаждающей жидкости, независимо от температуры окружающей среды или водопроводной воды.
  • Экономия воды: Чиллер использует замкнутый цикл, вода циркулирует многократно, а не сливается после однократного использования.
  • Снижение затрат: Экономия на оплате больших объемов водопроводной воды и канализации.
  • Стабильность процесса: Независимость от перепадов давления или температуры в водопроводной сети, что критично для точных технологических процессов.
  • Защита оборудования: Использование очищенной воды/теплоносителя в контуре предотвращает образование накипи и коррозию в дорогостоящем оборудовании.

8. Дополнительные опции:

  • выносной конденсатор;
  • система зимнего пуска;
  • замена компонентов оборудования под ваши условия;
  • изготовление установок в арктическом до минус 56 и тропическом до +55 °С исполнении;
  • модульная компоновка оборудования при дефиците свободного места;
  • использование мультинасосных схем с автоматическим резервированием.
  • выносной щит управления;
  • прочее.

9. Принудительная вентиляция воздуха в помещении

Тепловыделение от воздушного конденсатора составляет 13.5 кВт. При размещении чиллера с конденсатором в маленьком помещении, необходимая производительность вентиляции 8074 м3/ч. (при +30 в помещении, +25 на улице).

10. Сертификаты качества

сертификат соответствия на чиллер 9 кВтСертификат ИСО 9001 на чиллер

11. Гарантия на оборудование

Гарантия на оборудования составляет 18 месяцев.

12. Служба поддержки

Тел: 8 (495) 984-74-92 ; 8 (495) 226-51-87; info@xiron.ru

13. Посещение производства

  • Вы всегда можете посетить наше производство и наглядно увидеть производимое нами оборудование.
  • Время работы: c 10:00 до 18:00 (кроме субботы и воскресенья).
  • Адрес: Санаторный проезд, дом 1, корпус 23, 141282
  • О своем приезде необходимо сообщить за сутки

14. Преимущества

Опыт производства более 14 лет
Доставка по всей России
Полностью готовый к работе
Сертификат ГОСТ, ISO, Ростехнадзор
Тех. паспорт и инструкция на русском
Выбор концентрации гликоля

15. Как купить чиллер 9 кВт: способы заказа и доставка. Расчет стоимости доставки

Примерную стоимость доставки (чиллер 9 кВт) можно рассчитать, воспользовавшись калькулятором ниже. Необходимо учитывать, что деревянная обрешетка увеличивает габариты груза ~ на 300 мм.

Подождите, загружается калькулятор…