(495) 984-74-92
(495) 226-51-87
info@xiron.ru
Telegram - Wa
Главная
Техническая информация
Принципиальные схемы холодильных установок

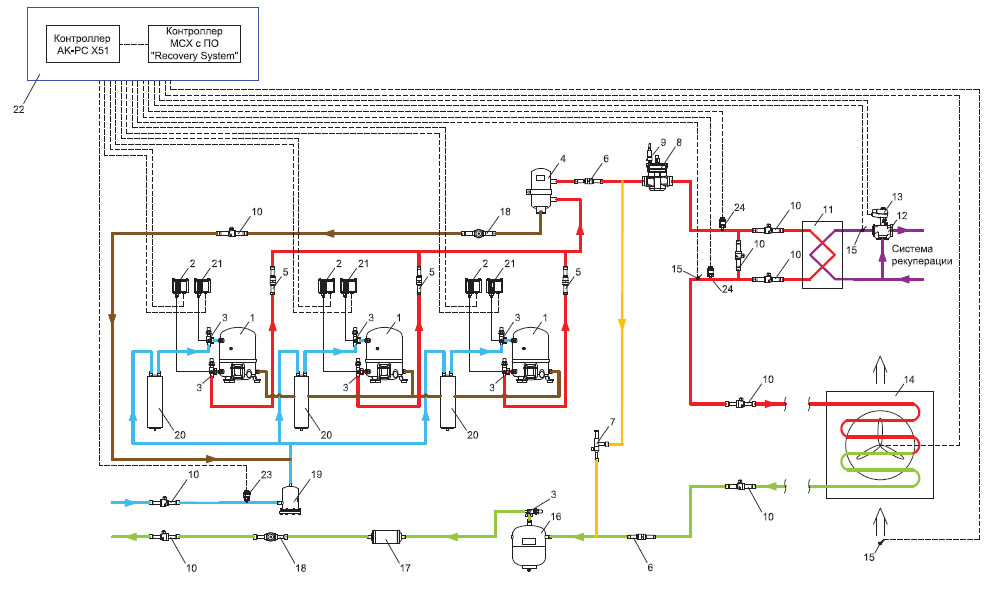
Многокомпрессорная холодильная машина с системой зимнего пуска и рекуперативным теплообменником

Многокомпрессорная холодильная машина с системой зимнего пуска и рекуперативным теплообменником на линии нагнетания

 Многокомпрессорная холодильная машина с системой зимнего пуска и рекуперативным теплообменником на линии нагнетания
  1. Компрессор Danfoss
  2. Реле высокого давления KP
  3. Клапан запорный Rotolock
  4. Маслоотделитель OUB
  5. Клапан обратный NRV/NRVH (в зависимости от типа компрессора)
  6. Клапан обратный NRV
  7. Регулятор давления в ресивере KVD
  8. Клапан сервоприводный с пилотным управлением ICS
  9. Управляющий пилот CVP
  10. Кран шаровой GBC
  11. Рекуператор пластинчатый паяный тип BPHE/MPHE
  12. Клапан трехходовой седельный VRG 3/VF 3
  13. Привод трехходового клапана AME/AMV
  14. Конденсатор воздушного охлаждения
  15. Датчик температуры AKS 11
  16. Ресивер линейный
  17. Фильтр–осушитель DML
  18. Стекло смотровое SG
  19. Фильтр DAS/DCR со вставкой 48-DA/48-F
  20. Отделитель жидкости
  21. Реле низкого давления KP
  22. Щит электрический с контроллерами AK-PC Х51 и MCX с ПО «Recovery System»
  23. Преобразователь низкого давления AKS 32R
  24. Преобразователь высокого давления AKS 32R
Схема разработана и предоставлена компанией Данфосс Россия
 

"Добавить комментарий"


"Обновить"

<< Обвязка воздухоохладителя с механическим РВ   Многокомпрессорная холодильная машина с системой зимнего пуска и регулятором перепада давления >>

 

Menu