(495) 984-74-92
(495) 226-51-87
info@xiron.ru
Telegram - Wa
Главная
Техническая информация
Водоохлаждающие установки - чиллеры

Чиллер для охлаждения воды в купели или бассейне

Чиллер для купели и бассейна купить

Основное назначение чиллера для охлаждения воды в бассейне или купели

Лето — это время отпусков, отдыха на природе и плавания в бассейнах. Но что делать, если температура воды в вашем любимом месте для купания слишком высока? В этой ситуации на помощь приходит чиллер для бассейна — специальное оборудование, предназначенное для охлаждения воды в бассейне или купели.

Краткое техническое описание

Чиллеры с пластинчатым теплообменником для бассейнов и купелей выпускаются в двух базовых вариантах по типу конденсатора:

  • С водяным (водным) конденсатором. Тепло от конденсатора отводится в замкнутый контур воды (например, бассейн). При охлаждении купели отбираемое тепло отводится в этот контур — при подключении к бассейну температура бассейна может повышаться. Преимущества: высокая энергоэффективность и тихая работа; подходит при наличии возможности организовать циркуляцию вторичного водяного контура.
  • С воздушным конденсатором. Тепло отводится в воздух. Возможны два исполнения:
    • Моноблок — конденсатор встроен в корпус устройства; при работе устройство выделяет тепло в помещение.
    • Выносной воздушный конденсатор — конденсатор размещается на улице; стандартная допустимая длина трассы до наружного блока — до 15 м. При применении дополнительной схемы с отделением масла (oil separator) трассу можно удлинять — до 40 м.
    Воздушные исполнения удобны там, где невозможно или нежелательно отводить тепло в водный контур.

Чиллеры с водяным конденсатором применяются наиболее часто — это объясняется их эффективностью и возможностью интеграции с существующими водяными контурами.

Каталог чиллеров — ООО «Ксирон-Холод»
Чиллеры для купелей и бассейнов. Исполнения: с водяным или воздушным конденсатором.
Общее примечание:
  • По специальному заказу возможно изменение температур или исполнение до +2°C.

Чиллеры с водяным конденсатором (популярные)

Модель ВМТ-Ксирон-3К
Объём купели:1…2 м³
Температура в купели:+10°C
Габариты (мм):460 × 710 × 1340
Холодо­производительность3,19 кВт
Потребляемая мощность1,28 кВт
Модель ВМТ-Ксирон-4К
Объём купели:2…4 м³
Температура в купели:+10°C
Габариты (мм):460 × 710 × 1340
Холодо­производительность4,50 кВт
Потребляемая мощность1,67 кВт
Модель ВМТ-Ксирон-6К
Объём купели:4…6 м³
Температура в купели:+10°C
Габариты (мм):460 × 710 × 1340
Холодо­производительность6,03 кВт
Потребляемая мощность2,22 кВт
Модель ВМТ-Ксирон-8К
Объём купели:6…8 м³
Температура в купели:+10°C
Габариты (мм):460 × 710 × 1340
Холодо­производительность8,46 кВт
Потребляемая мощность3,04 кВт
Модель ВМТ-Ксирон-10К
Объём купели:8…10 м³
Температура в купели:+10°C
Габариты (мм):460 × 710 × 1340
Холодо­производительность10,2 кВт
Потребляемая мощность3,51 кВт
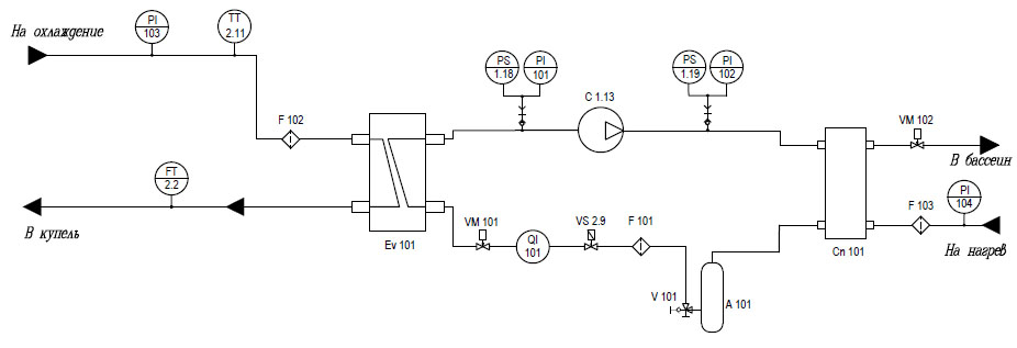
Схема чиллера для водяного конденсатора
На фото — схема чиллера для чиллеров с водяным конденсатором.

Чиллеры с воздушным конденсатором

Примечание по воздушным конденсаторам:
Исполнение моноблок выделяет тепло в помещении при работе. Возможна установка выносного конденсатора — до 15 м по трассе; при установке отделения масла — до 40 м.
Модель ВМТ-Ксирон-3К-В
Объём купели:1…2 м³
Температура в купели:+10°C
Габариты (мм):1125 × 600 × 1500
Холодо­производительность3,19 кВт
Потребляемая мощность1,5 кВт
Модель ВМТ-Ксирон-4К-В
Объём купели:2…4 м³
Температура в купели:+10°C
Габариты (мм):1125 × 600 × 1500
Холодо­производительность4,50 кВт
Потребляемая мощность2,10 кВт
Модель ВМТ-Ксирон-6К-В
Объём купели:4…6 м³
Температура в купели:+10°C
Габариты (мм):1050 × 672 × 1500
Холодо­производительность6,03 кВт
Потребляемая мощность2,65 кВт
Модель ВМТ-Ксирон-8К-В
Объём купели:6…8 м³
Температура в купели:+10°C
Габариты (мм):1050 × 672 × 1500
Холодо­производительность8,46 кВт
Потребляемая мощность3,50 кВт
Модель ВМТ-Ксирон-10К-В
Объём купели:8…10 м³
Температура в купели:+10°C
Габариты (мм):1475 × 710 × 1500
Холодо­производительность10,2 кВт
Потребляемая мощность4,30 кВт
Схема чиллера для воздушного конденсатора
На фото — схема чиллера для чиллеров с воздушным конденсатором.
Для нестандартных задач (поддержание +2°C и т.п.) — просьба указывать в запросе.

Чиллер — это устройство, которое использует компрессор и хладагент для охлаждения воды. Оно подключается к системе циркуляции воды и способно снизить её температуру на несколько градусов. Большинство чиллеров работают по принципу испарительного охлаждения: хладагент испаряется, забирая тепло от воды, а затем снова конденсируется, передавая его через воздушный конденсатор в окружающую среду или для нагрева второго бассейна. Если вы планируете купить чиллер для охлаждения воды в бассейне, важно заранее узнать параметры вашего бассейна и требуемую производительность.

чиллер для купели, охладитель для купели

Чиллер с водяным конденсатором, используемый для охлаждения купели, является эффективным средством для управления температурой воды. Давайте разберёмся подробнее, как он работает, какие преимущества он предлагает и как он интегрируется с системой фильтрации бассейна или купели.

Подборать и купить чиллер

Быстрый подбор по мощности, кВт

Как работает чиллер с водяным конденсатором

  • Принцип работы: Чиллер с водяным конденсатором действует как тепловой насос: он отбирает тепло из воды купели и передаёт его в контур отвода тепла.
  • Особенность: Такая система может использоваться не только для охлаждения, но и для перераспределения тепла (нагреть второй бассейн или подогреть воду в другом контуре).

Преимущества чиллера для купели и бассейна

  • Энергоэффективность: Экономия электроэнергии за счёт оптимального использования тепла.
  • Двойное использование: Охлаждение одной ёмкости и нагрев другой при помощи теплопереноса.
  • Снижение эксплуатационных расходов: Эффективная переработка тепла снижает счета за энергию.
  • Долговечность и надёжность: Правильно подобранный чиллер служит много лет при регулярном обслуживании.

Система фильтрации бассейна и интеграция с чиллером

Система фильтрации в бассейне удаляет механические примеси и поддерживает гигиену воды. При подключении чиллера вода проходит через теплообменник и возвращается в бассейн уже охлажденной. Это позволяет одновременно очищать и регулировать температуру.

Как охладить воду в бассейне — практические варианты

Есть несколько способов: тень и вентиляция, использование теплообменников, и, в более серьёзных задачах, установка чиллер для бассейна или специализированного охладителя для купели. Для частных и коммерческих бассейнов чиллеры дают наиболее предсказуемый и управляемый результат.

Виды чиллеров и рекомендации

  1. Чиллер с выносным воздушным конденсатором — компактный вариант, удобен для открытых объектов. Преимущество — простая установка и отсутствие отвода воды. Минус — влияние внешней температуры.

  2. Чиллер с водяным конденсатором — более эффективен при больших объёмах воды; может интегрироваться в систему нагрева/охлаждения нескольких бассейнов.

  3. Специализированные решения для купели — «чиллер для купели» или «охладитель для купели» часто проектируются с учётом экстремальных температур и возможности работы в условиях низких температур.

Как выбрать и на что обратить внимание

  • Объём и объём воды: Размер бассейна/купели определяет требуемую холодо­производительность.
  • Тип установки: наружная или внутренняя — влияет на выбор конденсатора и акустические требования.
  • Уровень шума: важен для жилых зон.
  • Энергоэффективность и расходы в эксплуатации (здесь же учитывайте — охлаждение воды в бассейне цена формируется исходя из мощности, типа конденсатора и опций).
  • Сервис и гарантия: наличие сервиса и запасных частей.

чиллер для бассейна

Пример расчёта и практическая подборка

Для быстрого понимания: если вы хотите охладить небольшой купель до +5–6°C или поддерживать купель ледяной, потребуется чиллер повышенной мощности с соответствующей защитой от замерзания. Для широких плавательных бассейнов расчёт ведётся по объёму воды и требуемой скорости понижения температуры. Если вам нужно купить чиллер для охлаждения воды в бассейне, отправьте данные по объёму, текущей и желаемой температуре — мы подготовим пример подбора и ориентировочную цену.

Ошибки в эксплуатации и как их избежать

  • Некорректный подбор мощности — чиллер слишком слаб или слишком мощный.
  • Отсутствие теплоизоляции трубопроводов — повышенные теплопотери и риск образования конденсата.
  • Игнорирование химбаланса воды — коррозия и сокращение срока службы теплообменника.

Стоимость и варианты покупки

Запросы «охлаждение воды в бассейне цена» и «чиллер для купели купить» — одни из самых частых. Цена зависит от объёма воды, требуемой производительности, типа конденсации (воздушная/водяная), дополнительных опций и требований по шуму. Чтобы узнать точную стоимость, отправьте технические данные объекта или воспользуйтесь формой заявки.

Преимущества использования чиллера для охлаждения воды

  1. Энергоэффективность и экономия.
  2. Точность поддержания температуры и комфорт для пловцов.
  3. Снижение роста бактерий и улучшение качества воды.
  4. Возможность интеграции с другими системами (нагрев/охлаждение нескольких ёмкостей).

Установка, обслуживание и безопасность

  1. Установка: Выбор места, подготовка фундамента, электро- и гидроподключение.
  2. Эксплуатация: Настройка температур, проверка герметичности и работы конденсатора.
  3. Обслуживание: Очистка конденсатора, проверка уровня хладагента, обслуживание насосов и фильтров.

чиллер для купели

Короткие ответы: частые запросы

  • Как охладить воду в бассейне? — Самый надёжный способ — установка специализированного чиллер для бассейна и интеграция его с системой фильтрации.
  • Сколько стоит охлаждение воды в бассейне? — Ориентировочно цена зависит от объёма и конфигурации; для точного расчёта пришлите параметры, и мы подготовим КП.
  • Где купить чиллер для купели? — Вы можете купить чиллер для купели у официальных поставщиков с гарантийным обслуживанием и монтажом.

E-mail: Отправить заявку на чиллер

 

"Комментарии"  

 
0 # Рустам 14.04.2026 14:05
Нужно чиллер для охлаждения бассейна 3?4 глубина 1.7
"Ответить" | "Ответить с цитатой" | "Цитировать"
 

"Добавить комментарий"


"Обновить"

<< Подбор чиллера для индукционного нагревателя   Чиллер с естественным охлаждением - фрикулинг >>

 

Menu